GEM Traction machine CAMEL series
Very functional and compact machine specially designed for the 3, 4, 6 passengers lift and speed up to 1 m/s.
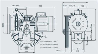
With integral body and rotor directly mounted on worm shaft, without connection fittings (A4) and hand wheel placed opposite to the motor.
Worm wheel and worm shaft are running on high precision bronze bushings and on utmost quality ball bearings for the axial constrain, worm wheel is made by special alloy (centrifuged bronze with nickel) and traction sheave is made by spheroid cast iron (EN-GJS-700-2 UNI EN 1563). Delivered with synthetic oil (3 litres) and standard single-phase 230V-50Hz fan, it has cantilever sheave (two fi xation points, static load 2.300 Kg) and can also be provided with self-levelling external support, for bigger static loads (up to 2.700 Kg).
Noise level below 60 Db (complying with IEC 39-4; CEI EN 60034-9), horizontal vibration level minor than 0,7 mm/s (complying with IEC 34-14 ; CEI 2-23) and electromagnetic brake with independent double action are characteristics that position gear box HW134 “CAMEL” as the avant-garde of the gear box technology. The machine is provided in a version that can be easily disassembled, removing stator, brake and traction sheave for easy transportation and installation into existing machine rooms, often located in not easily accessible places.


