GEM Traction machine ELEPHANT series
Very functional and compact machines specially designed for the 10 passengers lift (HW175) and 1000 Kg duty load (HW175 mod. C), speed up to 2 m/s.
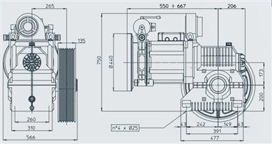
With rotor directly mounted on worm shaft, without connection fittings (A4) and hand wheel directly placed onto the motor.
The body of the gear box is made into two parts: lower and upper. Worm shaft running on utmost quality ball bearings for the axial constrain. Worm wheel, running on roller bearings, is made by special alloy (centrifuged bronze with nickel) and traction sheave is made by spheroid cast iron (EN-GJS-700-2 UNI EN 1563). Both gear models are characterized by very high efficiency with special surface treatment of flanks and, in particular, HW175 mod. C for 1000 Kg duty load has carbon hardened worm shaft. Delivered with synthetic oil (8,5 litres) and standard single-phase 230V- 50Hz fan, it has cantilever sheave (two fixation points).
Outstanding characteristic is the possibility to completely disassemble the machine into subcomponents (motor, flywheel, brake, sheave) for installation,transportation and handling in otherwise not easily accessible sites. Noise level below 60 dB (complying with IEC 39-4; CEI EN 60034-9), horizontal vibration level minor than 0,7 mm/s (complying with IEC 34-14; CEI 2-23) and electromagnetic brake with independent double action are characteristics that position GEM HW175 and HW175 mod.C machines as the avant-garde of the gear box technology.


